产品概述
普通列管式换热器因其结构简单,造价低廉,通用性强等得到了广泛的应用。但对高粘度物料进行换热操作,换热效率则显著降低,且由干管内存在较大的断面温度分布不均匀性,因而也会产生其他质量劣化问题。
针对这一难题,本公司长期跟踪相关动向,并与有关科研所合作攻关,成功开发出H型高效换热器。本系列换热器换热管采用静态混合元件,其总传热系数比普通换热器提高3-6倍。静态混合元件在传质方面的表现已得到业内人士的认同。H型高效换热器的开发成功,再一次以实践证明了传热与传质的相似性理论。
性能特点
H型高效换热器除具有一般列管式换热器的优点外,还具有以下特点:
1、传热效率普通提高,尤其是对高粘度物料。
2、管内物料不存在断面温度分布不均匀性。
3、管程具有一定的自洁作用。
4、为达到相同换热效果,可降低传热温差而降低熵损,提高热能利用率。
5、为达到相同换热效果,可减少传热面积,减少装置占地面积。
适用范围
H型高效换热器特别适用于对高粘度物料的换热操作,其粘度范围为50-500000cp。广泛应用于石油化工、食品工业和合成纤维方面。如PBT、PET工聚丙烯晴、聚对苯二甲酸乙二酯等(详细设计、选型请与德力科公司技术部联系)。
结构形式

注:1、本系列为固定管板式。
2、换热管采用正三角形排列,按标准规定选用。
3、折流板为弓形圆缺形,缺口位置上下型和左右型均可。
4、壳程进口未设防冲板,如需要可在订货时提出。
5、安装方式分立式和卧式。
6、管子与管板采用焊接。
7、本系列中设备法兰均为凹凸面法兰,接管法兰根据工艺计算选用或用户指定。
技术参数
产品型号 |
公称直径DN
(mm) |
换热管规格 |
管子数 |
换热面积m2公称值/计算值 |
管程通道面积
m2 |
管长(mm) |
750 |
1000 |
1500 |
SLH150 |
159×4.5 |
Ф19 |
15 |
0.5/0.62 |
1/0.85 |
1.5/1.29 |
0.0022 |
Ф25 |
10 |
0.5/0.55 |
0.8/0.75 |
1/1.14 |
0.0027 |
SLH200 |
219×6 |
Ф19 |
36 |
1.5/1.50 |
2/2.04 |
3.0/3.11 |
0.0053 |
Ф25 |
22 |
1/1.21 |
1.5/1.64 |
2.5/2.50 |
0.0060 |
SLH250 |
273×6 |
Ф19 |
69 |
3/2.88 |
4/3.91 |
6/5.97 |
0.0102 |
Ф25 |
40 |
2/2.20 |
3/2.98 |
5/4.55 |
0.0110 |
SLH300 |
325×8 |
Ф19 |
106 |
/ |
6/6.00 |
9/9.17 |
0.0157 |
Ф25 |
62 |
|
5/4.64 |
7/7.06 |
0.0170 |
SLH400 |
400×10 |
Ф19 |
195 |
/ |
11/11.05 |
17/16.86 |
0.0290 |
Ф25 |
110 |
|
8/8.20 |
13/12.52 |
0.0301 |
注:(1)压力:0.6、1.0、1.6、2.5MPa四种(真空可按0.6MPa选用)
(2)温度:按材料许用温度选用,本系列设计温度为200℃,可按相关规定升温降压使用。
(3)材料:主要有16MnR、1Crl8Ni9Ti、Q235-A、OCrl7Nil2Mo2Ti。
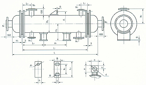
安装尺寸

H150型
参 数mm |
压 力MPa |
0.6 |
1.0 |
1.6 |
2.5 |
管 长 |
750 |
1000 |
1500 |
750 |
1000 |
1500 |
750 |
1000 |
1500 |
750 |
1000 |
1500 |
接管 |
|
L0=100 h0=239.5 |
L1 |
28 |
32 |
36 |
38 |
DN |
N1-2=50 N3-4=40 N5-6=20 |
卧式
支座 |
A1 |
242 |
492 |
992 |
242 |
492 |
992 |
242 |
492 |
992 |
242 |
492 |
992 |
|
LA=250 H2=280 L2=170 K1=90 d1=20
f1=60 B=140 R=10 t=20 S1=10 |
立式支座 |
A=442 d=24 f=30 S=6 c=100 a=60 共2只 |
H1 |
72 |
L1 |
742 |
992 |
1492 |
742 |
992 |
1492 |
742 |
992 |
1492 |
742 |
992 |
1492 |
L |
892 |
1142 |
1642 |
892 |
1142 |
1642 |
892 |
1142 |
1642 |
892 |
1142 |
1642 |
重量(kg) |
107 |
118 |
140 |
119 |
130 |
152 |
129 |
140 |
162 |
141 |
152 |
174 |
H200型
参 数mm |
压 力MPa |
0.6 |
1.0 |
1.6 |
2.5 |
管 长 |
750 |
1000 |
1500 |
750 |
1000 |
1500 |
750 |
1000 |
1500 |
750 |
1000 |
1500 |
接管 |
|
L0=100 h0=239.5 |
L1 |
30 |
32 |
38 |
40 |
DN |
N1-2=50 N3-4=50 N5-6=20 |
卧式
支座 |
A1 |
242 |
492 |
992 |
242 |
492 |
992 |
242 |
492 |
992 |
242 |
492 |
992 |
|
LA=250 H2=310 L2=215 K1=120 d1=20
f1=60 B=140 R=10 t=20 S1=10 |
立式支座 |
A=506 d=24 f=30 S=6 c=100 a=60 共2只 |
H1 |
88 |
L1 |
742 |
992 |
1492 |
742 |
992 |
1492 |
742 |
992 |
1492 |
742 |
992 |
1492 |
L |
924 |
1174 |
1674 |
924 |
1174 |
1674 |
924 |
1174 |
1674 |
924 |
1174 |
1674 |
重量(kg) |
135 |
162 |
206 |
150 |
185 |
220 |
160 |
185 |
231 |
185 |
210 |
254 |
H250型
参 数mm |
压 力MPa |
0.6 |
1.0 |
1.6 |
2.5 |
管 长 |
750 |
1000 |
1500 |
750 |
1000 |
1500 |
750 |
1000 |
1500 |
750 |
1000 |
1500 |
接管 |
|
L0=100 h0=239.5 |
L1 |
32 |
34 |
40 |
42 |
DN |
N1-2=80 N3-4=50 N5-6=20 |
卧式
支座 |
A1 |
242 |
492 |
992 |
242 |
492 |
992 |
242 |
492 |
992 |
242 |
492 |
992 |
|
LA=250 H2=337 L2=265 K1=160 d1=20
f1=60 B=140 R=10 t=20 S1=10 |
立式支座 |
A=562 d=24 f=30 S=6 c=100 a=60 共2只 |
H1 |
88 |
L1 |
742 |
992 |
1492 |
742 |
992 |
1492 |
742 |
992 |
1492 |
742 |
992 |
1492 |
L |
952 |
1202 |
1702 |
952 |
1202 |
1702 |
952 |
202 |
1702 |
952 |
1202 |
1702 |
重量(kg) |
Ф25 |
203 |
233 |
293 |
225 |
255 |
316 |
250 |
280 |
341 |
275 |
304 |
306 |
Ф19 |
- |
- |
- |
- |
- |
- |
- |
- |
- |
- |
- |
- |
H300型
参 数mm |
压 力MPa |
0.6 |
1.0 |
1.6 |
2.5 |
管 长 |
1000 |
1500 |
1000 |
1500 |
1000 |
1500 |
750 |
1000 |
1500 |
750 |
1000 |
1500 |
接管 |
|
L0=100 h0=322.5 |
L1 |
32 |
34 |
40 |
44 |
DN |
N1-2=100 N3-4=65 N5-6=25 |
卧式
支座 |
A1 |
|
|
|
|
|
|
|
|
|
|
|
|
|
LA=250 H2=337 L2=265 K1=160 d1=20
f1=60 B=140 R=10 t=20 S1=10 |
立式支座 |
A=562 d=24 f=30 S=6 c=100 a=60 共2只 |
H1 |
88 |
L1 |
992 |
1492 |
992 |
1492 |
992 |
1492 |
992 |
1492 |
1230 |
416 |
1230 |
416 |
1230 |
416 |
1230 |
416 |
324 |
416 |
348 |
440 |
367 |
459 |
424 |
516 |
- |
- |
- |
- |
- |
- |
- |
- |
|
L |
重量(kg) |
Ф25 |
Ф19 |
H400型
参数mm |
压力MPa |
0.6 |
1.0 |
1.6 |
2.5 |
管长 |
1000 |
1500 |
1000 |
1500 |
1000 |
1500 |
1000 |
1500 |
接管 |
L0 |
150 |
h0 |
363 |
364 |
366 |
366 |
L1 |
|
|
|
|
|
|
|
|
DN |
N1-2=150 N3-4=100 N5-6=25 |
卧式
支座 |
A1 |
292 |
792 |
292 |
792 |
292 |
792 |
292 |
792 |
H2 |
411 |
412 |
414 |
414 |
|
LA=350 L2=410 K1=280 d1=20 f1=60
B=140 R=10 t=20 S1=10 |
立式
支座 |
A |
754 |
|
758 |
|
766 |
|
766 |
|
|
f=60 S=10 c=140 a=120 共2只 |
H1 |
152 |
L1 |
992 |
1492 |
992 |
1492 |
992 |
1492 |
992 |
1492 |
L |
1302 |
1802 |
1302 |
1802 |
1302 |
1802 |
1302 |
1802 |
重量
(kg) |
Ф25 |
492 |
617 |
515 |
640 |
592 |
715 |
627 |
752 |
Ф19 |
- |
- |
- |
- |
- |
- |
- |
- |
型号标注

标记示例
如公称直径为300,公称压力为1.0MPa,换热面积为9m2,换热管规格为ф19,材质:壳体为碳钢,其余为不锈钢的高效换热器,其型号表示为:H300-1.0—911—CS
应用举例
某厂PBT生产工艺中第一预缩聚换热器原用光管式换热器规格为21m2。采用高效换热器后,换热面积仅为3.6
m2,节能增效明显。其物料参数如下:
1、管程:PBT预聚物 比重1.1t/m3,粘度1400cp,比热0.65kcal/kg0C,导热系数0.106kcal/m.h. 0C,流量15100kg/h,压力0.7MPa,结垢系数0.0002m2.h0C/KJ,温度从2400C至242.50C。
2、壳程:YD300导热油密度840kg/m3,比热0.63kcal/kg0C,导热系数0.091kcal/m.h. 0C,粘度0.48cst,温度从2700C降至2670C。
H型高效换热器技术参数提交单
|
工作介质 |
温度 |
工作压力MPa |
粘度cp |
比热
kcal/kg℃ |
导热系数
kcal/m/h/℃ |
流量
kg/h |
结垢
系数 |
设备
材料
|
入口 |
出口 |
管程 |
|
|
|
|
|
|
|
|
|
|
壳程 |
|
|
|
|
|
|
|
|
|
|
N6 |
|
|
|
|
|
|
|
|
|
|
N5 |
|
|
|
|
|
|
|
|
|
|
N4 |
|
|
|
|
|
|
|
|
|
|
N3 |
|
|
|
|
|
|
|
|
|
|
N2 |
|
|
|
|
|
|
|
|
|
|
N1 |
|
|
|
|
|
|
|
|
|
|
符号 |
法兰规格 |
法兰标准 |
密封面形式 |
数量 |
用途 |
立式支座 |
2 |
/ |
换热管
规格 |
Ф19 |
|
式管口方位: |
卧式支座 |
/ |
2 |
Ф25 |
|
名称 |
立式 |
卧式 |
折流板
形式 |
上下 |
|
数量 |
左右 |
|
|
SLH型高效换热器 |
工程名称 |
|
|
|
|
设计 |
|
|
型号 |
|
设计项目 |
|
|
|
|
校核 |
|
|
位号 |
|
选用单位 |
|
|
|
|
日期 |
|
|
台数 |
|
|
|
|
|
|
注:1、根据实际需要填写或选择表项。
2、所有接管法兰均配对供应。
3、特殊要求可另附图表及文字说明。
4、除本系列外,本公司还可为客户设计、制造串联套管式高效换热器,效果十分理想。
|