公司简介 公司新闻 综合资讯 产品展示 产品目录 客户反馈 联系我们 电子邮局
  主要产品为静态混合器、动态混合设备、传热反应设备、过滤设备、消声设备、阻火设备等

罐下采样器
SJ乏气分油器
SQ蒸汽分水器
SCXQ取样冷却器
采样器
SG视镜
G呼吸阀,阻火呼吸阀
P阻火器
氧气阻火管
中央乙炔回火防止器
内外筒式乙炔回火防止器
氧气用点阀箱
乙炔气用点阀箱
煤气安全阀箱
氧气压力调节阀组
混合器
 静态混合器
 静态混合反应器
 管道混合器
 SQS型汽水混合器
 QD/HT型蒸汽减温器
 蒸汽减温减压器
 管道混合反应器
 JHF型高粘换热混合器
 浸没式汽水加热器
塔式反应器
管式反应器
环管反应器
高效换热器
萃取塔
管道过滤器
自清洗过滤器
空气过滤器
灭菌过滤器
滤件系列
精细过滤器
粉体输送设备
粉体混合设备
液体搅拌设备
消声器
排水器
纸浆漂白专用设备
除污器(滤水器)
喷射器
纤维除雾器
自动进料搅拌釜

 
喷射器
PSQ-型蒸汽喷射真空泵
PSG-气固喷射器
PSB电线电缆燃烧仪检测喷射器
PSC活性炭喷射器
PSS水泵房喷射节能器
PSY生物柴油喷射器
PST脱硫喷射器
PSD-地坑喷射器
PSJ喷射加热器
罐用喷射器
PSK开工抽引器
PSZ罐底焊缝真空检漏盒抽空器
液固喷射器
抽空器
 
 
SG视镜
性能特点
视镜是工业管道装置上主要附件之一,在石油、化工、医药、食品、造纸等工业生产装置的管道中,能随时观察管道液体、气体、蒸汽等介质流动及反应情况,起到监视生产、避免生产过程中事故发生的作用。

产品型号标注
   
标记示例

选择单压型法兰连接式视镜,内部结构摆板式,法兰公称压力为0.6MPa,公称直径80mm,主体材料为低碳钢。标记:SG-II-P-0.680C


注:本表结构形式主要针对
I型、II型和III型。

产品规格及技术参数
(1)SG-I对夹型视镜
DN
窗径W
管内D
H
L
适用工况
PN≤1.6
PN≤2.5
8
58
40
75
140
160
PN≤2.5MPa
工作压力≤1.0MPa
工作温度0-180℃
10
58
40
75
140
160
15
58
40
75
140
160
20
68
50
85
160
180
25
68
50
85
160
180
40
78
60
115
180
200

(2)SG—II单压型视镜
DN
窗径W
管内径D
PN0.6
PN1.0、PN1.6
PN2.5
H
L
H
L
H
L
50
80/80
65/50
200
220
200
220/250
210
250/270
65
102/100
80/102
230
250
230
250/270
240
270/320
80
102/100
102/102
245
270
245
270/270
270
320/380
100
125/125
125/125
330
320
330
320/320
360
360/420
125
150/150
150/150
340
360
360
370/400
400
410/480
150
200/200
200/200
350
420
420
430/440
440
480/550
   注:分母为摆板式单压视镜。工作压力≤1.OMPa,工作温度0-180℃。

(3)SG—III全螺纹型视镜
DN
窗径W
管内D
H
L
适用工况
PN≤1.6
PN≤2.5
6
58
G1/4
75
140
160
PN≤2.5MPa
工作压力≤1.0MPa
工作温度0-180℃
10
58
G3/8
75
140
160
15
58
G1/2
75
140
160
20
68
G3/4
85
160
180
25
68
G1″
85
160
180
40
78
G11/2″
115
180
200

(4)SG—IV管型视镜
DN
PN
H
H1
H2
玻璃管
直径
厚度
20
1.0
250
78
94
F50
4
25
1.0
250
78
94
F50
4
40
1.0
250
78
94
F60
5
50
1.0
250
78
94
F75
5
60
1.0
250
78
94
F90
5

(5)SG—Va螺纹连接浮球型视镜
DN
d
D1
D
L
H
球Ф
图 号
20
16
G3/4″
38
120
70
18
HGSO-128-01~4
25
16
G1″
40
120
70
18
HGSO-128-01~4
32
16
G11/4″
50
124
76
18
HGSO-128-01~4
40
16
G11/2″
56
124
80
18
HGSO-128-01~4
50
16
G2″
66
124
85
18
HGSO-128-01~4
   注:PN≤0.6MPa,工作压力≤0.3MPa,工作温度≤180℃。

(6)SG—Vb法兰连接浮球型视镜
DN
d
D1
D
L
H
球Ф
图 号
65
65
130
160
340
260
40
HGSO-128-01-1~4
80
80
150
185
340
270
40
HGSO-128-01-1~4
100
100
170
205
340
277
40
HGSO-128-01-1~4
125
125
200
235
340
290
40
HGSO-128-01-1~4
150
150
225
260
340
302
40
HGSO-128-01-1~4
   注:PN≤0.6HPa,工作压力≤0.3MPa,工作温度≤180℃。

(7)SG—VI框式对夹型视镜
DN
W
A
H
B
L
适用工况
PN≤1.6
PN≤2.5
15
18
75
85
110
200
200
PN≤2.5MPa
工作压力≤1.0MPa
工作温度0-180℃
20
18
75
85
110
200
200
25
22
80
95
120
210
210
40
30
90
125
120
210
230

(8)SG—VII框式单压型视镜
DN
W
A
H
B
L
适用工况
PN≤1.6
PN≤2.5
50
30
90
140
120
210
230
PN≤2.5MPa
工作压力≤1.0MPa
工作温度0-180℃
65
30
90
155
120
220
250
80
35
100
180
120
230
250
100
35
100
205
120
230
260
125
40
110
235
130
260
290
150
40
110
260
130
260
290

(9)SG—VIII a容器视镜
DN
PN
D
D1
b1
b2
≈H
螺 柱
数量n
直径d
50
1.0
130
100
34
22
79
6
M12
1.6
130
100
34
24
79
6
M12
2.5
130
100
34
26
84
6
M12
80
1.0
160
130
36
24
86
8
M12
1.6
160
130
36
26
91
8
M12
2.5
160
130
36
28
96
8
M12
100
1.0
200
165
40
26
100
8
M16
1.6
200
165
40
28
105
8
M16
125
1.0
225
190
40
28
105
8
M16
150
1.0
250
215
40
30
110
12
M16

注:工作温度0—180℃

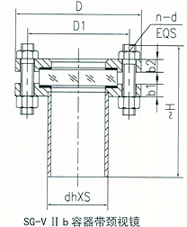
(10)SG—VIIIb容器带颈视镜
DN
PN
D
D1
b1
b2
dh×s
h
≈H
螺 柱
数量n
直径d
50
1.0
130
100
34
22
57×3.5
70
79
6
M12
1.6
130
100
34
24
57×3.5
70
79
6
M12
2.5
130
100
34
26
57×3.5
70
84
6
M12
80
1.0
160
130
36
24
89×4
70
86
8
M12
1.6
160
130
36
26
89×4
70
91
8
M12
2.5
160
130
36
28
89×4
70
96
8
M12
100
1.0
200
165
40
26
108×4
80
100
8
M16
1.6
200
165
40
28
108×4
80
105
8
M16
125
1.0
225
190
40
28
133×4
80
105
8
M16
150
1.0
250
215
40
30
159×4.5
80
110
12
M16
   注:容器视镜参照HGJ501-501-86标准,工作温度0~180℃

(11)SG—IX a单压异径型视镜
DN1×DN2
L
D
H
适用工况
PN0.25
PN0.6
25×32
260
95
226
234
工作温度
0~180℃
40×50
320
140
226
278
50×65
320
140
226
278
65×80
360
165
300
308
80×100
360
165
300
308

(12)SG—IX b单压三通型视镜
DN
L
D
H
I
II
III
PN0.25
PN0.6
25
40
40
260
95
226
234
25
50
50
320
140
266
278
25
65
65
320
140
266
278
40
80
80
360
165
300
308
40
100
80
360
165
300
308
25
40
50
320
140
266
278
40
50
65
320
140
266
278
50
65
80
360
165
300
308
50
80
100
360
165
300
308
   注:工作温度0—180℃

  打印此页】 【返回
   
   
南通沃尔驰石化工程有限公司 地址:启东市汇龙镇中央河中路691号 邮编:226200 http://www.yanqin.cn E-mail:13862978163@126.com
电话:0513-83325673 传真:0513-83119878 手机: 13862978163
减温器 | 减温减压器 | 减温减压装置